Menu
Projekti
Novosti
Info
O nama
Filozofija
Studio
Tim
Posao
Razonoda
Video
Kontakt
EU Projekti
EN
Search
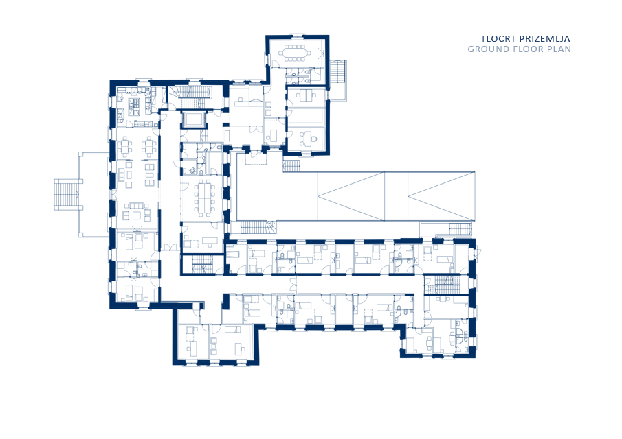
Cabuna Hospice
Cabuna, Hrvatska
Location, Town, State:
Cabuna, Hrvatska
Client:
Virovitičko-Podravska županija
Site area m
2
:
10205
Gross floor area m
2
:
2975
Project year:
2015